產品特點
立式多段離心泵浦
立式多段離心泵浦-特點
立式多段離心泵浦-使用條件
產品用途
該TPR系列立式多級離心泵,適用於工業用途,水廠的過濾與輸送、流程水系統、冷卻空調系統、油和酒精、分離器、土地灌溉。
高壓沖洗系統
冷卻空調系統
鍋爐給水和冷凝水系統
泵浦構造
為非自吸式的立式多段離心泵,整個泵主要由電機、泵頭、泵體、基座等組成,泵出入口在同一條直線上,所有的泵均配用免維護的軸封。
馬達
額定轉速:2900RPM或3500 RPM
頻率範圍:50Hz或60Hz
標準電壓:3X 220/380 V
防護等級:IP55, IP54
絕緣等級:F。
使用條件
環境溫度:Max. +40°C
液體溫度: -20°C ~ +120°C
型式編碼

TPR,50Hz
產品規格比較
| 型式 |
| TPR1(S)(N) |
| TPR3(S)(N) |
| TPR5(S)(N) |
| TPR10(S)(N) |
| TPR15(S)(N) |
| TPR20(S)(N) |
| TPR32(S) |
| TPR45(S) |
| TPR64(S) |
| TPR90(S) |
TPR,60Hz
產品規格比較
| 型式 |
| TPR1(S)(N) |
| TPR3(S)(N) |
| TPR5(S)(N) |
| TPR10(S)(N) |
| TPR15(S)(N) |
| TPR20(S)(N) |
| TPR32(S) |
| TPR45(S) |
| TPR64(S) |
| TPR90(S) |
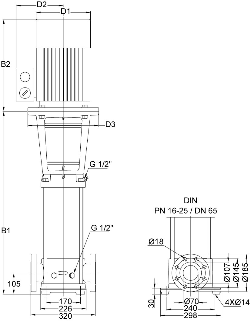
安裝尺寸(mm)
TPR 系列


TPR1
(N)-50Hz-20240221.jpg)
(N)-60Hz-20240221.jpg)
TPR3
(N)-50Hz-20240221.jpg)
(N)-60Hz-20240221.jpg)
TPR5
(N)-50Hz-20240221.jpg)
(N)-60Hz-20240221.jpg)
TPR10
(N)-50Hz-20240221.jpg)
(N)-60Hz-20240221.jpg)
TPR15
(N)-50Hz-20240221.jpg)
(N)-60Hz-20240221.jpg)
TPR20
(N)-50Hz-20240221.jpg)
(N)-60Hz-20240221.jpg)
TPR32
-50Hz-20240221.jpg)
-60Hz-20240221.jpg)
TPR45
-50Hz-20240221.jpg)
-60Hz-20240221.jpg)
TPR64
-50Hz-20240221.jpg)
-60Hz-20240221.jpg)
TPR90
-50Hz-20240221.jpg)
-60Hz-20240221.jpg)
感謝您瀏覽TPR 系列商品 !
回上一頁










