Product Features
Product Feature
Hot Water Pump
Hot Water Pump -Product Features
The HQCN is a complete, all-in-one unit, consisting of pump, motor, pressure tank, and electronic controller. The built-in electronic controller provides constant pressure which ensures that the pump starts automatically when water is consumed and operates continuously until water is not required.
Compact design and quiet operation make the HQCN series suitable for many applications.
The HQCN is constructed from the top quality corrosion resistant materials.
The motor has built-in thermal overload to protect against high operating temperatures and over current.
The HQCN has an anti-cycling feature which prevents the pump from continuous starting and stopping when you have a dripping tap or minor leak in the system.
Relief value will automatically release the pressure when the HQCN full system pressure exceeds 5kg/cm².
Operating Condition
Hot Water Pump -Operating Condition
Ambient temperature: Max. +40°C
Liquid temperature: +4°C ~ +90°C
Relief pressure value automatically : 5kg/cm²
Relative humidity: Max. 85% (RH)
Before using the pump, be sure the inlet pressure setting is lower than factory pressure setting.
Specification, 50Hz
Compare Products
| Type |
| HQCN200 |
| HQCN400 |
| HQCN800 |
Specification, 60Hz
Compare Products
| Type |
| HQCN200 |
| HQCN400 |
| HQCN800 |
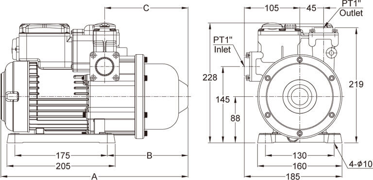
Dimensions (mm)
Hot Water Pump -Perflrmance Curve


Thank you HQCN Series products !
Go Back